1989 Chevy Ac Control Wiring Diagram


1989 Chevy Ac Control Wiring Diagram

At present you are looking regarding an 1989 Chevy Ac Control Wiring Diagram example of which we provide here in some type of document formats such as PDF, Doc, Strength Point, and in addition images of which will make it easier for you to create an 1989 Chevy Ac Control Wiring Diagram yourself. For a more clear look, you can open some examples below. All the illustrations about 1989 Chevy Ac Control Wiring Diagram about this web site, we get from several sources so you may create a better file of your own. In case the search you get here does not match what you are searching for, please make use of the lookup feature that we have provided here. You are usually free to download something that we provide in this article, investment decision you won't cost you the slightest.

1989 WIRING DIAGRAMS R

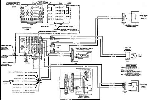
1989 WIRING DIAGRAMS R-V, P TRUCK MODELS When reference is made in this manual to a brand name, number, or specific tool, an equivalent product may ... WIRING DIAGRAMS 5 WIRING DIAGRAMS 6 path. For example the switch controlling the headlights is ... beginning of a circuit but can be used to control a ground Figure 5—Series/Parallel Circuits

⭐️ 1989 Chevy Ac Control Wiring Diagram

1989 Chevy Ac Control Wiring Diagram Visualise that you acquire such certain awesome experience and knowledge by lonesome reading a book. How can? It seems t...

1989 Chevy Ac Control Wiring Diagram PDF File ...

File Name: 1989 Chevy Ac Control Wiring Diagram.pdf Size: 6968 KB Type: PDF, ePub, eBook Category: Book Uploaded: 2020 Aug 15, 13:16 Rating: 4.6/5 from 764 votes.

Chevy Truck Wiring Diagram 1989

1985 Chevy Truck Wiring Diagram – Wiring Diagram | Byblank, size: 800 x 600 px, source: duxse.com. Here are several of the top illustrations we get from numerous resources, we really hope these images will certainly serve to you, and hopefully very appropriate to exactly what you want concerning the Chevy Truck Wiring Diagram 1989 is.

CHEVROLET R

Page 1 1989 WIRING DIAGRAMS R-V, P TRUCK MODELS When reference is made in this manual to a brand name, number, or specific tool, an equivalent product may be used in place of the recommended item All information, illustrations, and specifications contained in this manual are based on the latest product information available at the time of publication approval.

GM Full

Your Destination for GM Truck Parts. We hope you found the 1995 Chevy G20 wiring diagrams and other schematics helpful. When you’re ready to start your project, count on AutoZone’s large selection of auto parts and accessories by Autolite, Bosch, NGK, Duralast, Blue Streak, ACDelco, and other respected industry manufacturers.

Chevy Truck Wiring Diagram Schematic

1989 1990 1991. More... Engine: Blazer L4-1.6l Vin 6 L4-110 1800cc L4-119 1.9l L4-119 1.9l Vin A 2-bbl ... Wiring Diagram Schematics for your Chevy Truck ... you get thorough wiring diagram schematics as well as repair info, factory part numbers, and labor times and much more. ...

SYSTEM WIRING DIAGRAMS

SYSTEM WIRING DIAGRAMS 1995 Chevrolet Tahoe 1995 System Wiring Diagrams Chevrolet - Tahoe AIR CONDITIONING A/C Circuit. Heater Circuit ANTI-LOCK BRAKES. Anti-lock Brake Circuits ... Data Link Connector Circuit COOLING FAN. Cooling Fan Circuit CRUISE CONTROL. 5.7L 5.7L (VIN K), Cruise Control Circuit 6.5L. 6.5L (VIN S), Cruise Control Circuit ...

Free Chevrolet Vehicles Diagrams, Schematics, Service ...

Chevrolet Vehicles Diagrams, Schematics and Service Manuals - download for free! Including: 1923 chevrolet car wiring, 1923 chevrolet general wiring, 1923 chevrolet superior model, 1923 chevrolet wiring, 1925 chevrolet superior model series k, 1927 chevrolet capitol and national, 1927 chevrolet capitol and national models, 1928 chevrolet general wiring, 1928 chevrolet wiring, 1928 chevrolet ...

1988 Chevy Truck Wiring Diagram | Wirings Diagram

1988 Chevy Truck Wiring Diagram – 1988 chevrolet silverado wiring diagram, 1988 chevy silverado wiring diagram, 1988 chevy truck alternator wiring diagram, Every electric structure consists of various unique parts. Each part should be placed and linked to different parts in particular manner. Otherwise, the structure will not function as it ought to be.

Copyright 2020 - All Rights Reserved