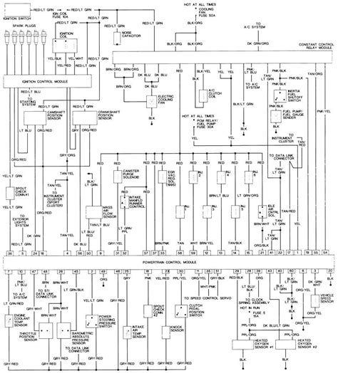
1995 Chevy 1500 Color Code Wiring Diagram


1995 Chevy 1500 Color Code Wiring Diagram

Currently you are looking with regard to an 1995 Chevy 1500 Color Code Wiring Diagram example of which we provide here in some kind of document formats many of these as PDF, Doc, Power Point, and also images of which will make it easier for you to create an 1995 Chevy 1500 Color Code Wiring Diagram yourself. For a clearer look, you are able to open a few examples below. All the illustrations about 1995 Chevy 1500 Color Code Wiring Diagram about this web site, we get from several sources so you can create a better record of your own. If the search you obtain here does not complement what you are searching for, please make use of the research feature that we have got provided here. You are free to download anything at all that we provide here, investment decision you won't cost you typically the slightest.

Copyright 2020 - All Rights Reserved