1998 Chevy 1500 Tail Light Wiring Diagram Color Code


1998 Chevy 1500 Tail Light Wiring Diagram Color Code

At present you are looking regarding an 1998 Chevy 1500 Tail Light Wiring Diagram Color Code example that will we provide here within some kind of document formats many of these as PDF, Doc, Power Point, and in addition images that will will make it simpler for you to create an 1998 Chevy 1500 Tail Light Wiring Diagram Color Code yourself. For a clearer look, you can open a few examples below. All of the examples about 1998 Chevy 1500 Tail Light Wiring Diagram Color Code on this website, we get from a number of sources so you could create a better file of your own. If the search you get here does not match up what you are seeking for, please make use of the search feature that we have provided here. You will be free to download anything that we provide in this article, investment decision you won't cost you the slightest.

Chevy Silverado Tail Light Wiring Diagram | Free Wiring ...

Name: chevy silverado tail light wiring diagram – chevy silverado tail light wiring diagram Collection 1998 Chevrolet Truck K2500HD 3 4 ton P U; File Type: JPG; Source: karynhenleyfiction.com; Size: 253.58 KB; Dimension: 1000 x 1437

1998 Chevy Silverado Wiring Diagram | Free Wiring Diagram

1998 Chevy Silverado Wiring Diagram - Collections Of Tail Light Wiring Diagram 1995 Chevy Truck Collection. Trailblazer Ac Wiring Diagram Valid 1998 Chevy K1500 Ac Wiring. 1998 Chevy Tahoe Wiring Diagram Fresh Wiring Diagrams for 1995 Chevy. 1998 Chevy Tahoe Wiring Diagram Fresh Wiring Diagrams for 1995 Chevy.

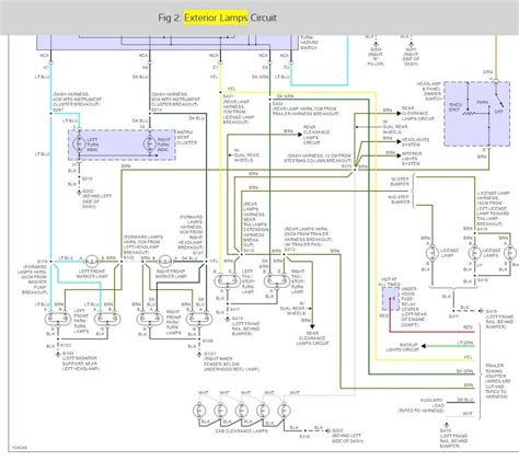
GM Full

Use our 1988 K1500 wiring diagram and other schematics as guides while you’re troubleshooting the problem or determining what you need to buy. And best of all, you’re already in the right place to find the electrical components to complete the job. Access our GM Full-Size Trucks 1988-1998 Wiring Diagrams Repair Guide by creating an account ...

SOLVED: I need a wiring diagram for a 1998 silverado/rear ...

I need a wiring diagram for a 1998 silverado/rear taillights color code - Chevrolet 1998 Chevrolet silverado question. Search Fixya. Browse Categories Answer Questions ... Right rear light not working, no right tail light and no left brake light!

Chevrolet Silverado Wiring Diagrams 1998 to 2016

This video demonstrates the Chevrolet Silverado Complete Wiring Diagrams and details of the wiring harness. Diagrams for the following systems are included :...

1998 Gmc Truck Wiring Diagram

1993 Thru 1998 Wiring, size: 800 x 600 px, source: repairguide.autozone.com. Below are some of the top drawings we receive from different sources, we really hope these photos will be useful to you, as well as with any luck really relevant to what you desire regarding the 1998 Gmc Truck Wiring Diagram is.

GMC Wire information :: Your GMC wire information authority

1998 GMC SUBURBAN 4DR SUV wiring information: 1999 GMC SONOMA 2DR PICKUP wiring information: S-SERIES GMC JIMMY 1999 4DR SUV wiring information: 1998 GMC SAFARI MINIVAN wiring information: 1999 GMC SUBURBAN 4DR SUV wiring information: 1999 GMC YUKON 4DR SUV wiring information: S-SERIES GMC JIMMY 1998 4DR SUV wiring information

Brake Light Wiring Diagram | HowStuffWorks

Brake Light Wiring Diagram - This brake light wiring diagram gives you a clear picture of where each wire goes. Visit HowStuffWorks to check out this brake light wiring diagram.

Chevrolet Wire information :: Your Chevrolet wire ...

1997 CHEVROLET MALIBU 4DR SEDAN wiring information: 1998 CHEVROLET VENTURE MINIVAN wiring information: 1998 CHEVROLET CORVETTE 2DR COUPE wiring information: 1998 CHEVROLET ASTRO VAN wiring information: 1998 CHEVROLET CAMARO 2DR COUPE wiring information: BLAZER CHEVROLET S-10 1998 4DR SUV wiring information

Copyright 2020 - All Rights Reserved