2000 Chevy S10 Ignition System Wiring Diagram


2000 Chevy S10 Ignition System Wiring Diagram

Presently you are looking with regard to an 2000 Chevy S10 Ignition System Wiring Diagram example that will we provide here inside some type of document formats such as PDF, Doc, Energy Point, and also images that will will make it easier for you to create an 2000 Chevy S10 Ignition System Wiring Diagram yourself. For a more clear look, you may open a few examples below. Each of the examples about 2000 Chevy S10 Ignition System Wiring Diagram with this site, we get from a number of sources so you can create a better file of your own. If the search you obtain here does not match up what you are looking for, please make use of the search feature that we possess provided here. You are free to download anything at all that we provide in this article, expense cost you the slightest.

2000 S10 Ignition Switch Wiring Diagram

Diagram 2000 chevy s10 ignition system wiring high schematics mari ulakan kultur im revier de 2001 schematic for 1993 chevrolet poli aceh tintenglueck bo 9067 gmc truck tilt column s 10 blazer control ic circuit bg 5095 engine pick up switch site resource mo 0450 as well on 92 a99a2 2007 gm library.

Wiring diagram for the ignition switch on a 2000 chevy s10

SOURCE: need a wiring diagram for a chevy s10. brake. your power starts at the brake light fuse,check with a test light,then proceed to stop light switch on brake pedal under dash,one wire will be hot when when you check it with your test light, the other won't be until you press down the brake pedal then the power flows through to the second wire,if no power to second wire replace switch,if ...

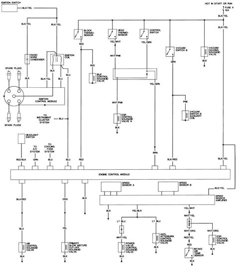
2000 Chevy S10 Wiring Diagram | Free Wiring Diagram

September 3, 2018. November 21, 2018 by Larry A. Wellborn. Assortment of 2000 chevy s10 wiring diagram. A wiring diagram is a streamlined standard photographic representation of an electrical circuit. It shows the elements of the circuit as simplified shapes, as well as the power as well as signal links in between the gadgets.

2000 chevy s10 wiring diagram | Wirings Diagram

Find your 2000 chevy s10 wiring diagram here for 2000 chevy s10 wiring diagram and you can print out. Search for 2000 chevy s10 wiring diagram here and subscribe to this site 2000 chevy s10 wiring diagram read more!

2000 Chevy S10 Wiring Diagram | Fuse Box And Wiring Diagram

Description: 2000 S10 Wiring Diagram – Best Wiring Diagram 2017 with regard to 2000 Chevy S10 Wiring Diagram, image size 800 X 575 px, and to view image details please click the image. Here is a picture gallery about 2000 chevy s10 wiring diagram complete with the description of the image, please find the image you need.

Chevrolet S10 Wiring Diagram | Free Wiring Diagram

Assortment of chevrolet s10 wiring diagram. A wiring diagram is a streamlined standard pictorial representation of an electric circuit. It shows the components of the circuit as streamlined shapes, as well as the power as well as signal links between the tools.

CHEVROLET S

WIRING INFORMATION: 1984 Chevy S-10 Blazer WIRE WIRE COLOR WIRE LOCATION 12V CONSTANT RED Ignition Harness STARTER YELLOW OR PURPLE Ignition Harness IGNITION PINK Ignition Harness ACCESSORY ORANGE Ignition Harness POWER DOOR LOCK (5-wire reverse polarity) LT. BLUE Harness Coming Into Vehicle From Driver’s

Free Chevrolet Vehicles Diagrams, Schematics, Service ...

1997 chevrolet s10 ground distribution system 22l engine part 2 [31 KB] 1999 chevrolet lumina airbag wiring diagram [24 KB] 1999 chevrolet lumina sir system airbag circuit diagram [104 KB]

Chevy Truck Wiring Diagram Schematic

S10 Astro Van 2wd Astro Van Awd Astro Van L Awd Astro Van M Avalanche 1500 2wd Avalanche 1500 4wd Avalanche 2500 2wd Avalanche 2500 4wd Avalanche 2wd. ... If you need detailed wiring diagram schematics for your Chevy Truck , look no further. Make: Chevy Truck: Model

If you need a wiring diagram... | S

Here is the diagram for my truck in case anyone else might need it. Maybe a sticky should be made with all the different wiring diagrams for s-trucks BLAZER 1999-2003 WIRE COLORS LOCATION 12 VOLTS RED (+) IGNITION SWITCH HARNESS IGNITION 1 PINK (+) IGNITION SWITCH HARNESS IGNITION 2 WHITE (+) small IGNITION SWITCH HARNESS

Copyright 2020 - All Rights Reserved