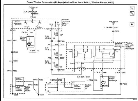
2001 Chevy Impala Power Window Wiring Diagram


2001 Chevy Impala Power Window Wiring Diagram

Currently you are looking for an 2001 Chevy Impala Power Window Wiring Diagram example that will we provide here inside some kind of document formats like as PDF, Doc, Power Point, as well as images that will will make it simpler for you to create an 2001 Chevy Impala Power Window Wiring Diagram yourself. For a more clear look, you can open several examples below. All of the examples about 2001 Chevy Impala Power Window Wiring Diagram about this web site, we get from many sources so you may create a better record of your own. When the search you acquire here does not match up what you are searching for, please utilize the search feature that we possess provided here. You are free to download something that we provide in this article, it will not cost you the particular slightest.

Copyright 2020 - All Rights Reserved