2001 Chevy Power Windows Wiring Diagram


2001 Chevy Power Windows Wiring Diagram

Presently you are looking with regard to an 2001 Chevy Power Windows Wiring Diagram example that will we provide here within some kind of document formats like as PDF, Doc, Power Point, and in addition images that will will make it simpler for you to create an 2001 Chevy Power Windows Wiring Diagram yourself. For a better look, you are able to open a few examples below. Each of the illustrations about 2001 Chevy Power Windows Wiring Diagram with this web site, we get from many sources so you can create a better document of your own. In case the search you obtain here does not match up what you are seeking for, please make use of the search feature that we have got provided here. You will be free to download something that we provide here, expense cost you typically the slightest.

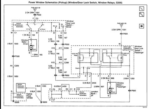
2001 Silverado Power Window Wiring Diagram

2001 silverado power window wiring diagram. 2000 chevrolet silverado. Jun 18 2009 2002 chevrolet silverado. Chevrolet silverado 1988 2005 vehicle wiring. My driver side power window on 2004 silverado 3500 will not go up or down works sometimes but not always. Otherwise the structure will not function as it should be.

2001 chevy silverado power window wiring diagram

SOURCE: 2001 CHEVROLET SILVERADO WIRING DIAGRAM Best FREE advise...go to your public library and use the EBSCO On-Line Automotive Repair Referance Center.Ask one of the Library Staff and they can help you. The real beauty of this is that you can go home and go On-Line to the library and use this referance anytime, for FREE.

Escalade, Suburban, Tahoe, Yukon 1999

Access our free Power Window Schematics 4-Door Repair Guide for Escalade, Suburban, Tahoe, Yukon, Denali, DenaliXL, YukonXL 1999-2005 through AutoZone Rewards. These diagrams include: Fig. RAP Relay, RAP 2 Relay, Ignition Switch, BCM(c) (2001) Fig. Window Switches, G306(c) (2001) Fig. Window Switches, Window Motors(c) (2001)

Power Window Wiring Diagram 1

Power Window Wiring Diagram 1 Amazon Printed Books https://www.createspace.com/3623931 Amazon Kindle Edition http://www.amazon.com/Automotive-Electronic-Diag...

Free Chevrolet Vehicles Diagrams, Schematics, Service ...

1973 1978 chevrolet truck power window wiring diagram [65 KB] 1974 chevrolet monte carlo wiring diagram [564 KB] 1977 1980 chevrolet truck small block v8 engine compartment wiring diagram [317 KB]

Chevrolet Silverado 1500: My 2001 Silverado power windows ...

My 2001 Silverado power windows have stop working. First the passenger side now drivers side stopped with the window down, circuit breaker is good I want to close window until I can get switch and or motor. Switch block has about six connections so I thought I could jump with a wire but to many combinations .

Chevrolet Silverado Wiring Diagrams 1998 to 2016

This video demonstrates the Chevrolet Silverado Complete Wiring Diagrams and details of the wiring harness. Diagrams for the following systems are included :...

Chevrolet Silverado

2008 SYSTEM WIRING DIAGRAMS Chevrolet - Silverado 1500 2008 Chevrolet Silverado Owner Manual - Download PDF 2008 Silverado 2008 B Owner Manual - Download PDF

Copyright 2020 - All Rights Reserved