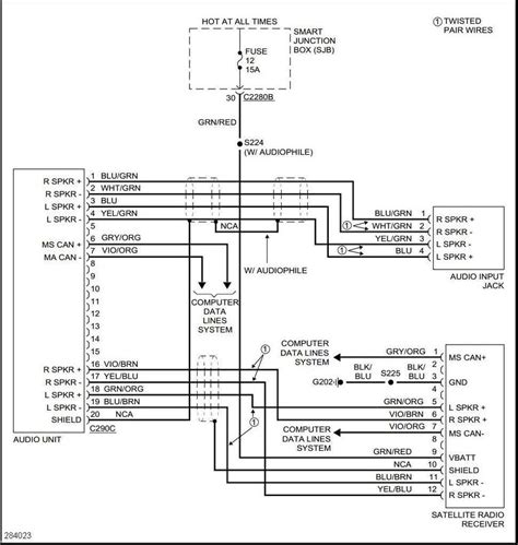
2004 Explorer Radio Wiring Diagram


2004 Explorer Radio Wiring Diagram

Presently you are looking for an 2004 Explorer Radio Wiring Diagram example that will we provide here within some type of document formats like as PDF, Doc, Strength Point, and also images that will will make it simpler for you to create an 2004 Explorer Radio Wiring Diagram yourself. For a more clear look, you are able to open several examples below. Each of the examples about 2004 Explorer Radio Wiring Diagram with this website, we get from many sources so you can create a better record of your own. In case the search you get here does not complement what you are searching for, please make use of the lookup feature that we have got provided here. You are free to download anything that we provide right here, it will not cost you the slightest.

Copyright 2020 - All Rights Reserved