2010 Jeep Commander Wiring Diagram


2010 Jeep Commander Wiring Diagram

At present you are looking for an 2010 Jeep Commander Wiring Diagram example that will we provide here inside some form of document formats many of these as PDF, Doc, Power Point, and also images that will will make it simpler for you to create an 2010 Jeep Commander Wiring Diagram yourself. For a clearer look, you may open a few examples below. All the good examples about 2010 Jeep Commander Wiring Diagram with this website, we get from a number of sources so you could create a better file of your own. In case the search you get here does not match what you are seeking for, please make use of the search feature that we possess provided here. You will be free to download something that we provide in this article, expense cost you the particular slightest.

2010 Jeep Wiring Diagrams

2010 Jeep Wiring Diagrams. Wiring Diagrams › Jeep › 2010 › Select Model. COMMANDER; COMPASS; GRAND CHEROKEE ; Top Categories. Serpentine Belt Routing Diagrams Ask a Mechanic

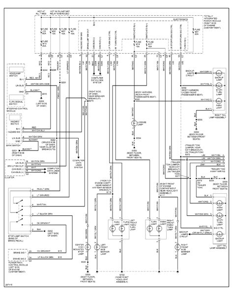
2010 Jeep Commander | Stereo Wiring Diagram

2010 Jeep Commander Stereo Wiring Information. Radio Battery Constant 12v+ Wire: Red/Orange Radio Accessory Switched 12v+ Wire: Run a wire to the steering column and use the pink/gray wire in the ignition switch harness. Radio Ground Wire: Black Radio Illumination Wire: Pink Stereo Dimmer Wire: Gray Left Front Speaker Positive Wire (+): Gray/Orange

2008

Listed below is the vehicle specific wiring diagram for your car alarm, remote starter or keyless entry installation into your 2008-2010 Jeep Commander.This information outlines the wires location, color and polarity to help you identify the proper connection spots in the vehicle.

2010 Jeep Commander Stereo Wiring Diagram

2010 Jeep Commander Stereo Wiring Diagram. By Admin | December 22, 2017. 0 Comment. Jeep car radio stereo audio wiring diagram autoradio connector 2006 commander inspirational cherokee 06 aftermarket install help for tj e27 2007 diagrams 32 2010 wrangler list grand wk system pinouts od 4313 schematic.

2010 Jeep Commander Repair Manual Online

Wiring Diagrams. Detailed information on circuit paths, splice locations & more. Step by Step Instructions w/ Illustrations ... This manual is specific to a 2010 Jeep Commander. RepairSurge is compatible with any internet-enabled computer, laptop, smartphone or tablet device. It is very easy to use and support is always free.

Jeep Commander Fuse Box Diagram | Fuse Box And Wiring Diagram

Description: 2010 Jeep Commander Wiring Diagram – Wirdig in Jeep Commander Fuse Box Diagram, image size 480 X 660 px, and to view image details please click the image. Put up by means of admin from September, 4 2013. If you like this article you can bookmark or share it to your social media account, I thank you significantly since you have ...

Jeep Factory Service Manuals free download | Automotive ...

Jeep wiring diagrams, the data on the pages of the manual, will greatly facilitate the task of the master or driver who decided to intervene in the electrical equipment of the machine. The application section is an important recommendation for auto repair and diagnostics.

WIRING DIAGRAMS

Chrysler wiring diagrams are designed to provide information regarding the vehicles wiring content. In order to effectively use Chrysler wiring diagrams to diagnose and repair a Chrysler vehicle, it is impor-tant to understand all of their features and charac-teristics. Diagrams are arranged such that the power (B+)

Jeep Wiring Diagrams

Wiring Diagrams › Jeep. If you run into an electrical problem with your jeep, you may want to take a moment and check a few things out for yourself. Before you dive in with a multi-meter, you will want to obtain a free wiring diagram for your specific model.You may need to locate a specific color wire and its exact location.

Jeep Commander Free Workshop and Repair Manuals

The Jeep Commander (XK) is a mid-size SUV produced by the Jeep division of the American manufacturer Chrysler, from 2006 to 2010. The Jeep Commander was first introduced at the 2005 New York Auto Show. It was produced as a 5 or 7-passenger counterpart to the third generation Jeep Grand Cherokee, with the initial inspiration coming from the Jeep ...

Copyright 2020 - All Rights Reserved