2012 Transit Connect Wiring Diagram


2012 Transit Connect Wiring Diagram

At present you are looking with regard to an 2012 Transit Connect Wiring Diagram example that will we provide here in some form of document formats such as PDF, Doc, Power Point, as well as images that will will make it simpler for you to create an 2012 Transit Connect Wiring Diagram yourself. For a clearer look, you are able to open several examples below. Each of the good examples about 2012 Transit Connect Wiring Diagram with this website, we get from many sources so you could create a better document of your own. In case the search you acquire here does not complement what you are looking for, please utilize the search feature that we possess provided here. You will be free to download anything that we provide here, it will not cost you the slightest.

Ford Transit Connect 2009 2010 2011 2012

This manual is loaded with detailed information on how to service and repair virtually everything on Ford Transit Connect First generation (2009-2012). Indeed, the abovementioned compact panel Van is designed in three different body styles which range from 3-door panel van to 4-door panel van to 5-door MPV.

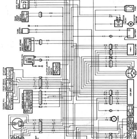
BB873 DIAGRAM Ford Transit Connect 2012 Wiring Diagram ...

Free Download Ford Transit Connect 2012 Wiring Diagram in PDF, e-Book, Best Printable 2020 A wiring layout Ford Transit Connect 2012 Wiring Diagram is a simplified standard pictorial depiction of an electrical circuit. It reveals the parts of the circuit as simplified shapes, and the power and signal connections in between the devices.

2012 Ford Transit Connect Wiring Diagram Manual Original

Exact Title: "Wiring Diagrams 2012 Transit Connect" Wiring Diagrams?: Included: Authenticity: This item is original. Dimensions: 8.50 x 11.00 x 0.60: OEM Part Number:

Ford Transit%20Connect Repair Manual Online | Chilton DIY

Ford Transit Connect Repair Manual Online. Ford Transit Connect repair manuals are available at the click of a mouse! Chilton’s Ford Transit Connect online manuals provide information for your car’s diagnostics, do-it-yourself repairs, and general maintenance.. Chilton's Ford Transit Connect repair manuals include diagrams, photos, and instructions you need to assist you in do-it-yourself ...

Ford Transit V Generation 2012 Main Fuse Box/Block Circuit ...

Ford Transit V Generation 2012 Main Fuse Panel/Board – Fuse Symbol Map Related diagrams: Ford E-350 XL Club Wagon 1995 Fuse Box/Block Circuit Breaker Diagram Ford Mustang GT 1994 Engine Fuse Box/Block Circuit Breaker Diagram Ford Econoline F150 Van 2012 Fuse Box/Block Circuit Breaker Diagram Ford Windstar 1995 Inside Fuse Box/Block Circuit ...

2012 Ford Transit Connect Wiring Diagram Manual Original

Download Free 2012 Ford Transit Connect Wiring Diagram Manual Original 2012 Ford Transit Connect Wiring Diagram Manual Original Right here, we have countless books 2012 ford transit connect wiring diagram manual original and collections to check out. We additionally provide variant types and furthermore type of the books to browse.

FORD Bus Manuals & Wiring Diagrams PDF

Some FORD Bus Manuals & Wiring Diagrams PDF are above thepage. In the movies of the 80s, especially in action movies, very often you can see the chase. In them, minibuses Ford Transit almost always participate. At that time, they were so common that their total number clearly exceeded the number of traveling Mercedes and Volkswagen. The reason for this popularity was the unique ability of the ...

Ford Transit Connect Free Workshop and Repair Manuals

Ford Transit Connect The Ford Transit Connect is a compact panel van/Compact Minivan developed by Ford Europe and derived from the Ford Focus. The first generation was designed by Peter Horbury and introduced in 2002 to replace the older Ford Escort and Fiesta-based Courier van ranges, which had ceased production in the same year.

Complete Wiring Diagram Download | Ford Transit USA Forum

Complete Wiring Diagram Download. Jump to Latest Follow 1 - 7 of 7 Posts. deadhead · Registered. Joined Apr ... 2017 350 Transit 148" high roof, 3.5L Ecoboost, 3.73 LS axle, HD alternator, dual batteries, tow package, premium package, windows all around. Save Share. Reply. S.

Ford Wiring Diagrams Free Download | Carmanualshub.com

Title: File Size: Download Link: Ford Escort 1990-1999 Electrical Schematics + wiring Diagrams.pdf: 8.6Mb: Download: Ford Escort 1991-1999 Wiring Diagram.pdf

Copyright 2020 - All Rights Reserved