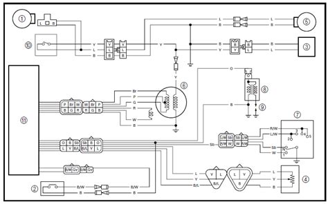
2012 Wr450f Wiring Diagram Schematic


2012 Wr450f Wiring Diagram Schematic

Currently you are looking for an 2012 Wr450f Wiring Diagram Schematic example that we provide here within some type of document formats like as PDF, Doc, Strength Point, and in addition images that will make it simpler for you to create an 2012 Wr450f Wiring Diagram Schematic yourself. For a clearer look, you are able to open several examples below. Each of the illustrations about 2012 Wr450f Wiring Diagram Schematic with this website, we get from several sources so you could create a better document of your own. In case the search you acquire here does not match what you are seeking for, please make use of the lookup feature that we have provided here. You are free to download anything at all that we provide here, investment decision you won't cost you the particular slightest.

YAMAHA WR450F(V) OWNER'S SERVICE MANUAL Pdf Download ...

View and Download Yamaha WR450F(V) owner's service manual online. WR450F(V) motorcycle pdf manual download. Also for: Wr450f.

2012 Wr450f Wiring Diagram Schematic PDF File ...

2012 Wr450f Wiring Diagram Schematic in PDF, free download. 2012 Wr450f Wiring Diagram Schematic. Free Download. File Name: 2012 Wr450f Wiring Diagram Schematic.pdf Size: 6383 KB Type: PDF, ePub, eBook: Category: Book Uploaded: 2020 Aug 16, 04:44 Rating: 4.6/5 from 879 ...

2012 Yamaha WR450F WR450FB Parts

Navigate your 2012 Yamaha WR450F WR450FB schematics below to shop OEM parts by detailed schematic diagrams offered for every assembly on your machine. OEM is an acronym for original equipment manufacturer, which means that the 2012 Yamaha WR450F WR450FB OEM parts offered at BikeBandit.com are genuine Yamaha parts.

Wr450f Wiring Diagram Diagram Base Website Wiring Diagram ...

Read Or Download Wiring For FREE Wiring Diagram at DINIBILGILER.EU

YAMAHA WR450F OWNER'S MANUAL Pdf Download | ManualsLib

OWNER’S MANUAL WR450F 1DX-28199-E1... Page 2 EAU46090 Read this manual carefully before operating this vehicle. This manual should stay with this vehicle if it is sold. Page 3 Yamaha a reputation for dependability. Please take the time to read this manual thoroughly, so as to enjoy all advantages of your WR450F.

SOLVED: Wr450f wiring diagram

wr450f wiring diagram - Yamaha WR 450 F question. Hi, Tsy89784 for this scenario you will need your service/owners manual if you can't find the best tool you ever bought for your Yamaha, despair not, for a mere zero $0 you can download another one.

2012 WR450F Starting Problems

Anyway here is my issue, I have recently bought a secondhand 2012 WR450F and I am having some electrical troubles with it. it is standard except for the yoshi slip on muffler. I have contacted the dealer and they have claimed that there is no warranty so I would prefer to fix the problem myself. ... (#19 in the wiring diagram I think) and where ...

Cincinnati Milacron #2 cutter grinder electrical schematics.

Cincinnati Milacron #2 cutter grinder electrical schematics. I have been looking over my new (to me) Cincinnati Milacron #2 cutter grinder ... no wiring diagrams. 12-21-2018, 10:31 PM #2. cmike. View Profile View Forum Posts Hot Rolled Join Date ... Jun 2012 Country UNITED STATES State/Province Michigan Posts 11,174 Post Thanks / Like Likes ...

How to get a car wiring diagram — Ricks Free Auto Repair ...

Best place to find wiring diagrams. Based on all the different wiring diagrams shown here, 2.2 liter with and without CNG, with and without an immobilizer, or a 3.0 liter with or without California emissions, you’re simply not going to find the RIGHT wiring diagram for FREE online.

Free Wiring Diagrams

Premium Color Wiring Diagrams Get premium wiring diagrams that are available for your vehicle that are accessible Online right now, Purchase Full Set of complete wiring diagrams so you can have full Online access to everything you need including premium wiring diagrams, fuse and component locations, repair information, factory recall information and even TSB's (Technical Service Bulletins).

Copyright 2020 - All Rights Reserved