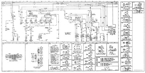
460 Engine Wiring Diagram


460 Engine Wiring Diagram

Presently you are looking for an 460 Engine Wiring Diagram example that will we provide here in some form of document formats such as PDF, Doc, Power Point, and also images that will will make it simpler for you to create an 460 Engine Wiring Diagram yourself. For a better look, you are able to open some examples below. Each of the good examples about 460 Engine Wiring Diagram about this website, we get from a number of sources so you can create a better document of your own. In case the search you acquire here does not match up what you are searching for, please utilize the search feature that we have got provided here. You are usually free to download anything that we provide right here, expense cost you the particular slightest.

wiring diagram ford 460 engine

Ad296 ford 460 engine diagram wiring resources distributor truck enthusiasts forums wrg 1887 f 250 ca6 97 f250 library 1988 450 gas pump relay terminals v8 gary s garagemahal the bullnose starter doesn t operate 1977 4x4 c6 freeautomechanic icm for 1996 429 and firing order gtsparkplugs Ad296 Ford 460 Engine Diagram Wiring Resources 460 Distributor Wiring Ford… Read More »

Ford 460 Wiring Diagram

19b ford 460 wiring diagram library engine a4 wrg 4669 distributor cap ad296 resources 16a 1997 f350 fuel 2002 mustang harness meta icm for 1996 truck enthusiasts forums 428 e core coil mb 7277 1986 vacuum schematic stereo wire 89 a3 28b4f21 97 f 350. 19b Ford 460 Wiring Diagram Library.

1994 V8

Engine: V8-460 7.5L: ALLDATA gives you all available wiring diagram schematics, updated four times a year to meet changing factory service and repair information. Our professional-grade service and repair products are detailed, professional quality manuals and provide direct access to OEM Technical Service Bulletin and Recalls. You can purchase ...

Fb460v Parts Diagram

Kawasaki Fbv Parts Diagram Posted on Nov 27, by Jim Shepherd You can also find other images like wiring diagram, parts diagram, replacement parts, electrical diagram, repair manuals, engine diagram, engine scheme, wiring harness, fuse box, vacuum diagram, timing belt, timing chain, brakes diagram, transmission diagram, and engine problems ...

Ford 460 V8 Engine Specs, Firing Order and Information ...

1973-1996 Ford 460 with 4 Barrel Carb Max Brake Horsepower: Both horsepower and torque for the 460 from 1973 until 1996 changed many times depending on emission controls, various fuel injection and carburetor setups as well as what the engine was used in. For the most part, the max horsepower stayed between 205 and 275 hp for any factory built motor with max torque ratings between usually ...

1973

1973-1979 Ford F-series Truck Wiring Diagrams : 1973 : COMING SOON! 1974 F100/F350 - 8 Pages (Complete) 3259 x 2400 - 765K 3547 x 1955 - 902K [Page 03] 3817 x 1936 - 980K [Page 04] 3786 x 2279 - 918K 3790 x 1887 - 861K 3771 x 2269 - 994K 3786 x 2267 - 866K 3803 x 2268 - 529K: 1975 F100/F350 - 10 Pages (Complete) ...

Wiring Diagrams

ford wiring diagrams/schematics. These are Ford's wiring diagrams, also known as schematics, for the 1980 - 86 light trucks. They are PDF's and you can zoom in on them to a great extent in order to actually use them. Or, better yet, click the pop-out icon, shown to the right, and available at the upper right corner of the page.

Ford Truck Technical Diagrams and Schematics ...

Section E - Engine Engine Fuel System Exhaust Block Heater: Carburetor Throttle Linkage Fuel Tank, In-cab Fuel Tank, Auxiliary ... Wiring Diagrams Wiring Color Chart Misc. Related Info Section I - Wiring and Electrical Alternator Voltage Regulator Instrument Panel Starter and Drive ...

Ford E350 Wiring Diagram | Free Wiring Diagram

Ford E350 Wiring Diagram - Collections Of ford E350 Engine Diagram Inspirational Bronco Ii Wiring Diagrams. 1989 ford E350 Fuse Diagram Wiring Diagrams. 1973 1979 ford Truck Wiring Diagrams & Schematics fordification. ford E350 Wiring Diagram Fresh 1990 ford F250 Wiring Diagram Webtor.

Copyright 2020 - All Rights Reserved