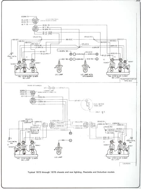
87 Chevy C10 Engine Wiring Diagram


87 Chevy C10 Engine Wiring Diagram

Currently you are looking with regard to an 87 Chevy C10 Engine Wiring Diagram example of which we provide here in some form of document formats such as PDF, Doc, Power Point, and in addition images of which will make it simpler for you to create an 87 Chevy C10 Engine Wiring Diagram yourself. For a clearer look, you can open several examples below. All the examples about 87 Chevy C10 Engine Wiring Diagram on this web site, we get from many sources so you can create a better document of your own. When the search you get here does not match what you are looking for, please utilize the search feature that we have got provided here. You are free to download anything at all that we provide right here, expense cost you the particular slightest.

Copyright 2020 - All Rights Reserved