Apartment Intercom Wiring Diagram


Apartment Intercom Wiring Diagram

At present you are looking with regard to an Apartment Intercom Wiring Diagram example that we provide here in some form of document formats many of these as PDF, Doc, Strength Point, and in addition images that will make it simpler for you to create an Apartment Intercom Wiring Diagram yourself. For a clearer look, you can open several examples below. Each of the examples about Apartment Intercom Wiring Diagram on this website, we get from many sources so you could create a better document of your own. If the search you obtain here does not match up what you are looking for, please make use of the search feature that we have got provided here. You are free to download anything at all that we provide in this article, investment decision you won't cost you the slightest.

Tektone, Pacific Electronics, Auth, Auth Florence, Mircom ...

Tektone, Pacific Electronics, Auth, Auth Florence, Mircom, Jeron Installation Manuals and Wiring Diagrams. Tektone Apartment Intercom Systems PK543A Amplifier Installation Instructions and Wiring PK543A Ampilfier Field Test Tektone Intercom System Troubleshooting PK543A Tektone Intercom Ampilfier Wiring Diagram

BEC Apartment Entry Installation Instructions and Wiring

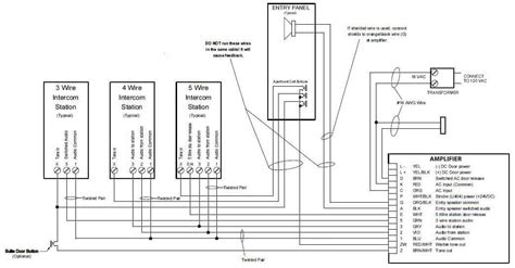
If oscillation stops when the call tone wire is removed . from ZW, set entrance tone (SW3) to the OFF (left) position. Signal Flow and Theory of Operation for the Amplifier and Apartment Intercom System The following example describes an apartment intercom system using a amplifier in conjunction with a 4-wire suite station.

CAT5 Wired Intercom System Wiring Installation

Below are wiring diagrams for the CAT5 Wired Intercom System:

IL487 Installation Instructions and WiringSection A for ...

In 3-wire apartment intercom stations, audio to and from the intercom station is between terminals 1 and 5. Door Button Pressing the DOOR button at an apartment intercom station applies a closure across the intercom station’s terminals 2 and 3. The closure is routed to the PK543 Amplifier’s terminals 2 and 3. The amplifier senses the ...

Troubleshooting Pacific Electronics Apartment Intercom System

FMC30 Auth Florence Intercom Amplifier Wiring Diagram; FMC30 Auth to AF1000 Pacific Cross Reference Chart; ... Signal Flow and Theory of Operation for AF1000 Amplifier and Apartment Intercom System The following example describes an apartment intercom system using a AF1000 in conjunction with a 4-wire suite station. Refer also to Figure 5 on ...

Apartment Intercoms Systems | Intercom Systems for ...

Older wired apartment intercom stations are available in 3-wire, 4-wire, and 5-wire configurations. The most common is 4-wire. There are a few systems that also used 6-wire, but these are far less common. You will need to know how many wires yours has before moving forward.

How to Know What Kind of Wiring Your Intercom System Needs

Category 5 Cable, known in the industry at Cat 5, features four, twisted pairs of wire and is often used in computers, telephones, and intercom systems. Cat 5 wiring features 8 separate cords each wrapped in a unique plastic insulation (most commonly solid and striped green, blue, orange, and brown.)

Apartment Intercoms, Lobby Panels, Color Video Intercom ...

4-Wire Apartment Intercom Station . PK-543A . Intercom Amplifier. 3/20/20 CORONAVIRUS COVID-19 NOTICE. DUE TO NEW YORK STATEWIDE MANDATE, as a result of the COVID-19 pandemic, LEE DAN will temporarily close its showroom and pickup counter effective immediately. OUR PHONES AND EMAILS WILL CONTINUE TO BE ANSWERED.

Tek

Tek-ENTRY apartment entry panels are simple and reliable while maintaining all the functionality required of your facility. Custom entrance panels are constructed of extruded aluminum with a brushed anodized finish, and a weather-resistant Mylar ® speaker protected by an ABS plastic grill.. Panels may be configured to accommodate 3-, 4- or 5-wire speaker-type apartment stations, or handset ...

Troubleshooting a NuTone Model 478 Apartment Intercom ...

One of the most common problems with any NuTone Apartment Intercom System is the inability to communicate with the Entrance Directory Speaker This Video take...

Copyright 2020 - All Rights Reserved