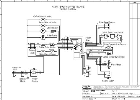
Basic Coffee Machine Wiring Diagram


Basic Coffee Machine Wiring Diagram

At present you are looking regarding an Basic Coffee Machine Wiring Diagram example that we provide here in some kind of document formats such as PDF, Doc, Strength Point, and in addition images that will make it simpler for you to create an Basic Coffee Machine Wiring Diagram yourself. For a clearer look, you are able to open a few examples below. Each of the illustrations about Basic Coffee Machine Wiring Diagram on this website, we get from many sources so you can create a better file of your own. In case the search you acquire here does not match what you are seeking for, please use the search feature that we have got provided here. You are usually free to download anything at all that we provide here, expense cost you the slightest.

Copyright 2020 - All Rights Reserved