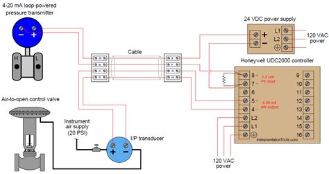
Control Loop Wiring Diagram


Control Loop Wiring Diagram

Presently you are looking with regard to an Control Loop Wiring Diagram example of which we provide here in some kind of document formats many of these as PDF, Doc, Energy Point, and in addition images of which will make it simpler for you to create an Control Loop Wiring Diagram yourself. For a more clear look, you may open several examples below. All the illustrations about Control Loop Wiring Diagram with this web site, we get from several sources so you may create a better document of your own. If the search you acquire here does not match up what you are seeking for, please make use of the search feature that we have provided here. You are free to download anything at all that we provide right here, investment decision you won't cost you typically the slightest.

Copyright 2020 - All Rights Reserved