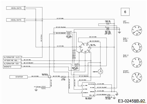
Cub Cadet Wiring Diagram Model 800


Cub Cadet Wiring Diagram Model 800

At present you are looking with regard to an Cub Cadet Wiring Diagram Model 800 example that will we provide here within some kind of document formats like as PDF, Doc, Strength Point, as well as images that will will make it easier for you to create an Cub Cadet Wiring Diagram Model 800 yourself. For a clearer look, you are able to open a few examples below. Each of the good examples about Cub Cadet Wiring Diagram Model 800 on this site, we get from a number of sources so you can create a better record of your own. When the search you acquire here does not match what you are searching for, please use the search feature that we have got provided here. You are free to download anything at all that we provide in this article, expense cost you the particular slightest.

Copyright 2020 - All Rights Reserved