Freightliner M2 Light Wiring Diagram


Freightliner M2 Light Wiring Diagram

Currently you are looking regarding an Freightliner M2 Light Wiring Diagram example that we provide here inside some type of document formats like as PDF, Doc, Power Point, and also images that will make it easier for you to create an Freightliner M2 Light Wiring Diagram yourself. For a clearer look, you may open a few examples below. All the examples about Freightliner M2 Light Wiring Diagram on this web site, we get from many sources so you can create a better document of your own. If the search you get here does not match up what you are searching for, please use the lookup feature that we have got provided here. You will be free to download anything that we provide here, it will not cost you typically the slightest.

2006 Freightliner M2 Wiring Diagram

Description: Freightliner Tail Light Wire Diagram Freightliner Tail Light pertaining to 2006 Freightliner M2 Wiring Diagram, image size 1000 X 701 px, image source : repairguide.autozone.com, and to view image details please click the image.. Here is a picture gallery about 2006 freightliner m2 wiring diagram complete with the description of the image, please find the image you need.

Freightliner M2 A/c Wiring Diagram

Reading Freightliner Wiring Diagrams. Wiring Diagram Sections The Freightliner wiring diagrams are divided by system function. This allows for many different options or accessory systems to be installed on the same model truck. Examples for this section are drawn from the diagram below: 5. Revision Description 3. Reference Components /5(8 ...

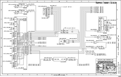
Freightliner M2 Bulkhead Module Diagram

05.09.2018 05.09.2018 2 Comments on Freightliner M2 Bulkhead Module Diagram M2 Multiplexing - The Basics . to the Bulkhead Module (BHM) or to an optional Switch Expansion . schematron.org The Bulkhead Module (BHM) is the primary module of the vehicle electrical system, and controls the operation ..

Freightliner M2 Wiring Diagram Download

Assortment of freightliner m2 wiring diagram. A wiring diagram is a streamlined conventional pictorial depiction of an electric circuit. It shows the elements of the circuit as simplified shapes, as well as the power as well as signal connections in between the devices.

34 Freightliner M2 Blower Motor Wiring Diagram

Freightliner tail light wire diagram freightliner tail light pertaining to 2006 freightliner m2 wiring diagram image size 1000 x 701 px image source. Freightliner wiring diagrams free welcome to my site this article will go over about freightliner wiring diagrams free. The connector you will see in the schematic will be the bulkhead.

Freightliner M2 Wiring Diagram Download

April 27, 2020 by wholefoodsonabudget Assortment of freightliner m2 wiring diagram. A wiring diagram is a simplified conventional photographic representation of an electrical circuit. It reveals the elements of the circuit as streamlined shapes, and the power and signal links between the gadgets.

freightliner wiring diagram

A399fa freightliner business class wiring diagram library bus coach diagrams service manual pdf 6eda2 m2 light 6b1 04 resources tz 7997 2011 xw 2766 on 2006 starter i have 2003 fl70 and need a for the aefdb 2007 columbia pin A399fa Freightliner Business Class Wiring Diagram Library Freightliner Bus Coach Wiring Diagrams Service Manual Pdf 6eda2 Freightliner M2… Read More »

Freightliner Wiring Diagrams Free | Fuse Box And Wiring ...

Description: Up Freightliner M2 Buisness Class Heavy Truck Wiring Diagrams with regard to Freightliner Wiring Diagrams Free, image size 985 X 617 px, and to view image details please click the image. Description : 2010 Freightliner Wiring Diagram. 2010.

Freightliner Trailer Wiring Diagram | Trailer Wiring Diagram

Purple for copy lights. Freightliner M2 Wiring Diagram For Starter | Best Wiring Library – Freightliner Trailer Wiring Diagram by Bismillah. 5-Pin Connector; This 5-pin trailer wiring diagram is good for trailer that has large capacity. However, it doesn’t possess as sophisticated and electrical intensive attributes that RV and other ...

Copyright 2020 - All Rights Reserved