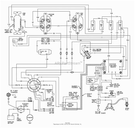
Generac Generator Voltage Regulator Wiring Diagram


Generac Generator Voltage Regulator Wiring Diagram

Presently you are looking for an Generac Generator Voltage Regulator Wiring Diagram example that will we provide here within some type of document formats like as PDF, Doc, Power Point, and also images that will will make it simpler for you to create an Generac Generator Voltage Regulator Wiring Diagram yourself. For a clearer look, you may open a few examples below. Each of the examples about Generac Generator Voltage Regulator Wiring Diagram on this web site, we get from a number of sources so you could create a better record of your own. When the search you acquire here does not complement what you are searching for, please make use of the research feature that we have provided here. You are usually free to download something that we provide in this article, it will not cost you the slightest.

Copyright 2020 - All Rights Reserved