Generac Generator Wiring Schematics


Generac Generator Wiring Schematics

Presently you are looking regarding an Generac Generator Wiring Schematics example that will we provide here inside some type of document formats like as PDF, Doc, Energy Point, and in addition images that will will make it simpler for you to create an Generac Generator Wiring Schematics yourself. For a better look, you may open several examples below. All of the examples about Generac Generator Wiring Schematics about this web site, we get from many sources so you could create a better document of your own. In case the search you obtain here does not match up what you are searching for, please use the lookup feature that we possess provided here. You are free to download anything at all that we provide in this article, expense cost you the slightest.

Generac Generator Wiring Diagram | Free Wiring Diagram

Variety of generac generator wiring diagram. A wiring diagram is a streamlined standard photographic depiction of an electric circuit. It reveals the components of the circuit as streamlined forms, as well as the power as well as signal links in between the gadgets.

Generac Generator Wiring Diagram | Wiring Diagram

Generac 6500E Generator Wiring Diagram | Manual E-Books – Generac Generator Wiring Diagram Wiring Diagram includes numerous detailed illustrations that display the connection of varied items. It contains instructions and diagrams for different varieties of wiring methods along with other products like lights, windows, and so on.

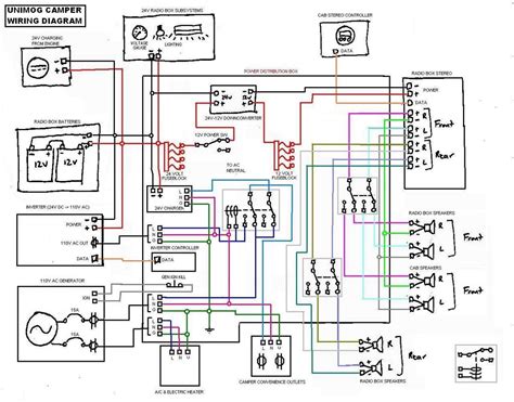
Generac Power Systems

Parts Manual / EV (Unit) EV GENERATOR: 0G5051: EN: Wiring Diagram: WD V-T HSB W/O ENG RUN WIND. 0F7822: EN: Wiring Diagram: WD X-FER SWITCH: 0F9070: EN: Wiring Diagram/Schematic Drawing: WD S/CYL HSB W/O ENG RUN WIND: 0F7820: EN: Wiring Diagram/Schematic Drawing: WS S/CYL HSB W/O ENG RUN WIND: 0F7821: EN: Wiring Diagram/Schematic Drawing: WS V ...

Generac 22kw Wiring Diagram

diagramweb.net To locate in French, Installation Guidelines for Air-Cooled Generators Wiring Diagram Drawing 0HB. Generac Automatic Transfer Switches are designed for use with single as well, providing the most installation efficient power management options available.

Generac Gp17500e Wiring Diagram

Complete exploded 0DE 50A V 2 Pole Circuit Breaker $ CB A 1P.I have a Generac model GPE it is new and will start to run in the start mode, then when switch is moved to the run - Answered by a verified Technician You are correct in that the wiring diagram is not very descriptive, but the schematic is.

Generac 200 Amp Transfer Switch Wiring Diagram

Awesome Generac Amp Automatic Transfer Switch Wiring Diagram – Pleasant to help the weblog, in this particular period I’m going to demonstrate regarding generac amp automatic transfer switch wiring diagramAnd today, here is the primary picture: Generac Transfer Switch Wiring Diagram Gif Throughout Generator from generac amp automatic ...

Generac Gp5500 Wiring Diagram | Free Wiring Diagram

Generac Gp5500 Wiring Diagram. Collection of generac gp5500 wiring diagram. A wiring diagram is a streamlined conventional photographic representation of an electric circuit. It reveals the parts of the circuit as simplified shapes, and also the power and signal connections in between the tools.

INSTALLATION MANUAL

Generac Liquid-cooled Generators. Depth of Base = W 150xBxL W = Total wet weight of engine-generator set in pounds (kg). 150 = Density of the concrete (pounds per cubic foot). 2400 = Density of concrete (kilograms per cubic foot). B = Foundation width in feet (meters). L = Foundation length in feet (meters).

Generac Automatic Transfer Switch Owners Manual

• Wire range: #1 - #8 AWG. • The conductor tightening torque is 50 in-lbs. The utility service circuit breaker for the 150/200 amp models are: • Type 225AF, 2-pole • 120/240VAC, 150A/200A • 50/60 Hertz • Wire range: 300 MCM - 6 STR (Line), 250 MCM - 6 STR (Load - ATS) • The conductor tightening torque is 375 in-lbs. (Line), 275 in-

Copyright 2020 - All Rights Reserved