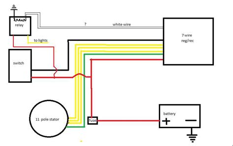
Gy6 Engine Wiring Diagram


Gy6 Engine Wiring Diagram

Currently you are looking with regard to an Gy6 Engine Wiring Diagram example of which we provide here within some type of document formats such as PDF, Doc, Energy Point, and also images of which will make it simpler for you to create an Gy6 Engine Wiring Diagram yourself. For a better look, you can open some examples below. Each of the good examples about Gy6 Engine Wiring Diagram with this site, we get from several sources so you may create a better document of your own. When the search you get here does not match what you are looking for, please utilize the lookup feature that we have provided here. You are usually free to download something that we provide right here, it will not cost you typically the slightest.

Copyright 2020 - All Rights Reserved