Jeep Commander Wiring Diagram


Jeep Commander Wiring Diagram

At present you are looking with regard to an Jeep Commander Wiring Diagram example of which we provide here within some form of document formats like as PDF, Doc, Power Point, and in addition images of which will make it simpler for you to create an Jeep Commander Wiring Diagram yourself. For a more clear look, you may open several examples below. Each of the illustrations about Jeep Commander Wiring Diagram about this web site, we get from several sources so you may create a better record of your own. When the search you obtain here does not complement what you are looking for, please utilize the search feature that we have got provided here. You are free to download anything that we provide in this article, investment decision you won't cost you the particular slightest.

2006 Jeep Commander Wiring Diagrams

2006 Jeep Commander Wiring Diagrams. Wiring Diagrams › Jeep › 2006 › Commander. Select wiring diagram to view: Air Conditioning; ABS - Anti-Lock Brakes

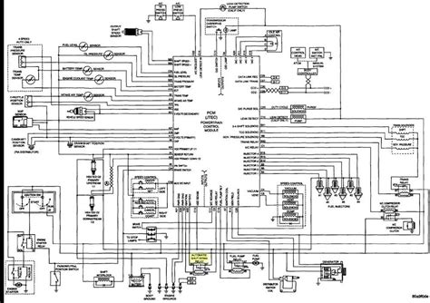
5.7 Hemi Jeep Commander Wiring Diagram

Jeep Commander Electrical Wiring Diagrams Troubleshooting EWD Manual EVTM. Brand New. $ or Best Offer +$ shipping. Jeep commander 5 7l hemi diagrams engines liter is one of grown topic right now. We know it from internet search engine records like adwords or google trends.

2007 Jeep Wiring Diagrams

2007 Jeep Wiring Diagrams. Wiring Diagrams › Jeep › 2007 › Select Model. COMMANDER; COMPASS; GRAND CHEROKEE ; Top Categories. Serpentine Belt Routing Diagrams Ask a Mechanic

Jeep Wiring Diagrams

Wiring Diagrams › Jeep. If you run into an electrical problem with your jeep, you may want to take a moment and check a few things out for yourself. Before you dive in with a multi-meter, you will want to obtain a free wiring diagram for your specific model.You may need to locate a specific color wire and its exact location.

2008 Jeep Commander Fuse Box Diagram | Fuse Box And Wiring ...

Description: 2007 Jeep Commander Radio Wiring Diagram. 2007. Automotive Wiring throughout 2008 Jeep Commander Fuse Box Diagram, image size 792 X 558 px, and to view image details please click the image. Here is a picture gallery about 2008 jeep commander fuse box diagram complete with the description of the image, please find the image you need.

2010 Jeep Wiring Diagrams

2010 Jeep Wiring Diagrams. Wiring Diagrams › Jeep › 2010 › Select Model. COMMANDER; COMPASS; GRAND CHEROKEE ; Top Categories. Serpentine Belt Routing Diagrams Ask a Mechanic

Jeep Factory Service Manuals free download | Automotive ...

Jeep wiring diagrams, the data on the pages of the manual, will greatly facilitate the task of the master or driver who decided to intervene in the electrical equipment of the machine. The application section is an important recommendation for auto repair and diagnostics.

WIRING DIAGRAMS

Chrysler wiring diagrams are designed to provide information regarding the vehicles wiring content. In order to effectively use Chrysler wiring diagrams to diagnose and repair a Chrysler vehicle, it is impor-tant to understand all of their features and charac-teristics. Diagrams are arranged such that the power (B+)

Jeep Grand Cherokee Wiring Diagrams 1998 to 2016

This video will show you How to Access the Complete Jeep Grand Cherokee Wiring Diagrams and details of the wiring harness. Diagrams for the following systems...

Copyright 2020 - All Rights Reserved