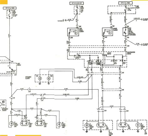
Jeep Wrangler Ignition Module Wiring Diagram


Jeep Wrangler Ignition Module Wiring Diagram

Currently you are looking with regard to an Jeep Wrangler Ignition Module Wiring Diagram example that will we provide here in some type of document formats like as PDF, Doc, Power Point, as well as images that will will make it easier for you to create an Jeep Wrangler Ignition Module Wiring Diagram yourself. For a better look, you can open several examples below. All the illustrations about Jeep Wrangler Ignition Module Wiring Diagram with this website, we get from several sources so you may create a better file of your own. If the search you get here does not match up what you are looking for, please make use of the research feature that we have provided here. You are usually free to download something that we provide here, expense cost you the slightest.

Copyright 2020 - All Rights Reserved