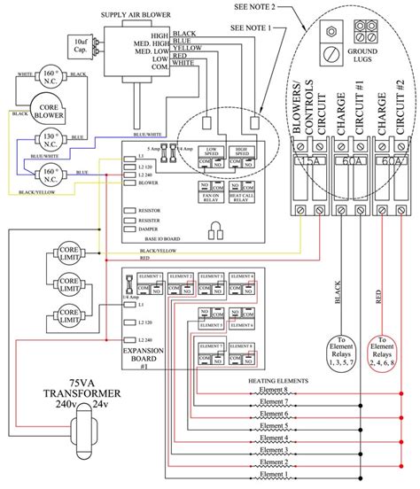
Line Voltage Wiring Diagram


Line Voltage Wiring Diagram

Currently you are looking with regard to an Line Voltage Wiring Diagram example of which we provide here inside some type of document formats such as PDF, Doc, Energy Point, and also images of which will make it easier for you to create an Line Voltage Wiring Diagram yourself. For a better look, you may open several examples below. All of the illustrations about Line Voltage Wiring Diagram on this web site, we get from many sources so you can create a better record of your own. When the search you obtain here does not match up what you are searching for, please use the search feature that we have got provided here. You will be free to download something that we provide here, expense cost you the particular slightest.

Line Voltage Thermostats for Heating & Cooling

Our photos and wiring diagram for a Marley D-26 wall-mounted line-voltage thermostat illustrate how this simple 240VAC thermostat is wired to the electric baseboard heater. In short, the red wires from the switch connect, one-each, to each of the incoming 240VAC line voltage wires of the heating circuit.

Wiring Diagram Book

Wiring Diagram Book A1 15 B1 B2 16 18 B3 A2 B1 B3 15 Supply voltage 16 18 L M H 2 Levels B2 L1 F U 1 460 V F U 2 L2 L3 GND H1 H3 H2 H4 F U 3 X1A F U 4 F U 5 X2A R Power On Optional X1 X2115 V 230 V H1 H3 H2 H4 Optional Connection Electrostatically Shielded Transformer F U 6 OFF ON M L1 L2 1 2 STOP OL M START 3 START START FIBER OPTIC ...

T8 TUBES : BYPASS/LINE VOLTAGE : GLASS

WIRING DIAGRAM LED Lamp AC Fluorescent Lamp Fluorescent Lamp Fluorescent Lamp AC LED Lamp 120-277 VAC 120-277 VAC AC AC LED Lamp Wiring Directions 1. Disconnect and remove ballast. 2. Confirm or install non-shunted sockets for input end of lamp (required). 3. Connect A/C power directly to non-shunted socket. Note: "shunted" or "jumpered ...

Wiring A GFCI Outlet

Turn the power back on and using your voltage tester, carefully touch the black probe to the ground wire. Using the red probe on your voltage tester, touch each black wire until you find the live one. This is the identified hot wire and it will get attach on the line side brass terminal screw on your new GFCI outlet.

Light Switch Wiring

In the diagram below right, a 2-wire NM cable that connects the light fixture to the switch carries 2 line wires (one line, and one switched line). The white wire carries line, the black wire carries the switched line. Since the white wire is hot, a black piece of electrical tape is placed on each end.

Motor Wiring Diagram

Motor Wiring Diagram U.S. ELECTRICAL MOTORS 12 Lead, Dual Voltage, Wye Start/Delta Run, Both Voltages or 6 Lead, Single Voltage, Wye Start/Delta Run Motors designed by US Motors for Wye Start, Delta Run may also be used for across the line starting using only the Delta connection. Damage will

LINE VOLTAGE THERMOSTAT – ET9 SERIES

LINE VOLTAGE THERMOSTAT – ET9 SERIES ... ter and/or 6 inch wire leads. a division of TPI Corporation If this product is used to replace a device containing mercury, ... LINE LOAD HEATING DPST YELLOW WIRING DIAGRAMS. COLUMBUS ELECTRIC TERMOSTATO DE VOLTAJE DE LÍNEA – ET9 SERIES

Wiring Diagram

Wiring Diagram What is a Wiring Diagram? A wiring diagram is a simple visual representation of the physical connections and physical layout of an electrical system or circuit. It shows how the electrical wires are interconnected and can also show where fixtures and components may be connected to the system. When and How to Use a Wiring Diagram

How to Install a Line

A line-voltage thermostat is for a simple heater or cooler, and it has only one function: to turn the device on and off. It connects directly to the 110- or 220-volt power supply, not to a 24-volt transformer. The thermostat interrupts the circuit like a wall switch interrupts a light circuit.

Telephone Wiring Diagram

Wiring a Telephone Jack After installing the Cat 3 - 3 pair phone wire I am ready to install the wall jack. You will have a wide variety of telephone jacks to choose from but the wiring for a single line phone service will be standard.

Copyright 2020 - All Rights Reserved