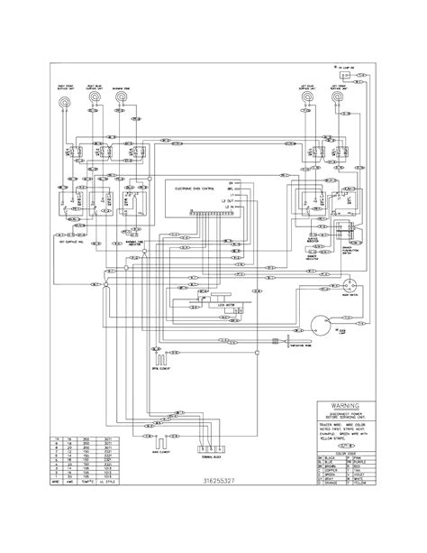
Magic Chef Refrigerator Wiring Diagram


Magic Chef Refrigerator Wiring Diagram

Currently you are looking with regard to an Magic Chef Refrigerator Wiring Diagram example that we provide here in some type of document formats many of these as PDF, Doc, Strength Point, and in addition images that will make it easier for you to create an Magic Chef Refrigerator Wiring Diagram yourself. For a more clear look, you may open several examples below. Each of the examples about Magic Chef Refrigerator Wiring Diagram about this site, we get from many sources so you can create a better file of your own. In case the search you obtain here does not complement what you are looking for, please use the lookup feature that we possess provided here. You are usually free to download something that we provide here, investment decision you won't cost you the particular slightest.

Copyright 2020 - All Rights Reserved