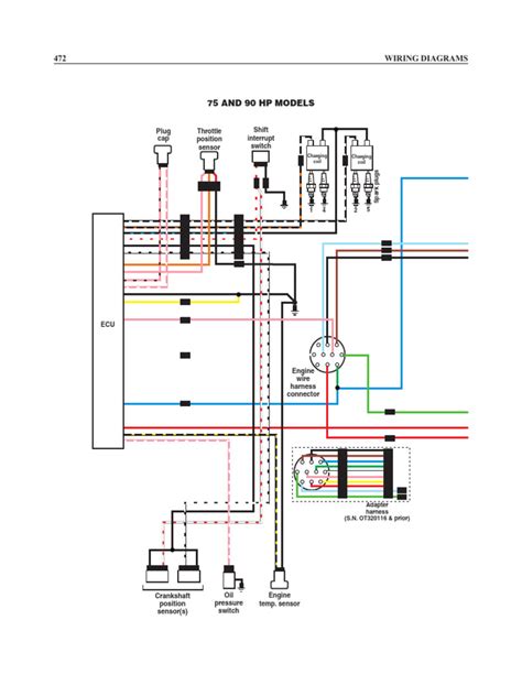
Mariner Throttle Control Wiring Diagram


Mariner Throttle Control Wiring Diagram

At present you are looking with regard to an Mariner Throttle Control Wiring Diagram example that we provide here within some kind of document formats many of these as PDF, Doc, Strength Point, and in addition images that will make it simpler for you to create an Mariner Throttle Control Wiring Diagram yourself. For a clearer look, you are able to open a few examples below. All the illustrations about Mariner Throttle Control Wiring Diagram about this website, we get from several sources so you can create a better record of your own. In case the search you get here does not match up what you are looking for, please use the research feature that we have got provided here. You are usually free to download anything at all that we provide in this article, expense cost you the slightest.

Copyright 2020 - All Rights Reserved