Motor Control Wiring Diagram Ppt


Motor Control Wiring Diagram Ppt

Presently you are looking with regard to an Motor Control Wiring Diagram Ppt example that will we provide here inside some kind of document formats like as PDF, Doc, Power Point, as well as images that will will make it easier for you to create an Motor Control Wiring Diagram Ppt yourself. For a more clear look, you are able to open some examples below. All of the illustrations about Motor Control Wiring Diagram Ppt on this website, we get from many sources so you could create a better document of your own. In case the search you obtain here does not match up what you are looking for, please make use of the search feature that we have provided here. You are free to download something that we provide right here, investment decision you won't cost you typically the slightest.

Basic Motor Control Wiring Diagram | autocardesign

Basic Motor Control Wiring Diagram – wiring diagram is a simplified pleasing pictorial representation of an electrical circuit. It shows the components of the circuit as simplified shapes, and the facility and signal contacts in the company of the devices. A wiring diagram usually gives information very nearly the relative point and concord of devices and terminals upon the devices, to help in building or servicing the device.

Motor Control Wiring Diagram Pdf | autocardesign

Motor Control Wiring Diagram Pdf– wiring diagram is a simplified usual pictorial representation of an electrical circuit.It shows the components of the circuit as simplified shapes, and the facility and signal associates with the devices.

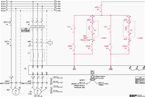
Basic wiring for motor control

Wiring diagrams. Wiring diagrams show the connections to the controller. Wiring diagrams, sometimes called “main” or “construction” diagrams, show the actual connection points for the wires to the components and terminals of the controller. Basic wiring for motor control – Technical data

Reading Control Wiring Diagrams

Learn to read and understand single line diagrams wiring basic for motor control technical data guide eep electrical design of a plc panel how construct controls devices symbols circuits reading understanding print wiki odesie by tech transfer schematic sparkfun com ppt online Learn To Read And Understand Single Line Diagrams Wiring Basic Wiring For Motor Control Technical Data… Read More »

Three Phase Motor Power & Control Wiring Diagrams

Three Phase Motor Connection Schematic, Power and Control Wiring Installation Diagrams. Star-Delta (Y-Δ) 3-phase Motor Starting Method by Automatic star-delta starter with Timer. Three Phase Motor Connection STAR/DELTA Without Timer – Power & Control Diagrams

1 Basic Principles of

wiring diagrams used. Motor Control Circuits Motor control circuits are an effective way to reduce cost by using smaller wire and reduced-amperage devices to control a motor. Imagine trying to wire a pushbutton station for a 100A motor using 3 AWG conductors. Many smaller motors use the same size

Three

always use wiring diagram supplied on motor nameplate. w2 cj2 ui vi wi w2 cj2 ui vi wi a cow voltage y high voltage z t4 til t12 10 til t4 t5 ali l2 t12 ti-blu t2-wht t3.org t4-yel t5-blk t6-gry t7-pnk t8-red t9-brk red tio-curry tii-grn t12-vlt z t4 til t12 tio til

AC Motor Control Circuits Worksheet

Based on your observations of these two diagrams, explain how electromechanical relays are represented differently between ladder and schematic diagrams. Interpret this AC motor control circuit diagram, explaining the meaning of each symbol: Also, explain the operation of this motor control circuit ...

All about Motors

Motor protection Eaton Wiring Manual 06/11 8-4 8 8 Overload relay with reclosing lockout They should always be used where continuous contact devices (two-wire control) are concerned (e.g. pressure and position switches), to prevent automatic restarting. The reset button can be fitted as an external feature in order to make it accessible to all ...

Basic electrical design of a PLC panel (Wiring diagrams) | EEP

Figure 5 below shows a schematic diagram for a PLC based motor control system, similar to the previous motor control example. This figure shows the E-stop wired to cutoff power to all of the devices in the circuit, including the PLC. All critical safety functions should be hardwired this way. Figure 5 – An Electrical Schematic with a PLC

Copyright 2020 - All Rights Reserved