Portfolio Light Wiring Diagram


Portfolio Light Wiring Diagram

Presently you are looking with regard to an Portfolio Light Wiring Diagram example that will we provide here within some form of document formats many of these as PDF, Doc, Strength Point, and also images that will will make it simpler for you to create an Portfolio Light Wiring Diagram yourself. For a better look, you can open several examples below. All the illustrations about Portfolio Light Wiring Diagram with this website, we get from several sources so you can create a better file of your own. When the search you get here does not complement what you are looking for, please use the search feature that we possess provided here. You are usually free to download anything that we provide here, it will not cost you the slightest.

Light Switch Wiring Diagrams

Multiple Light Wiring Diagram. This diagram illustrates wiring for one switch to control 2 or more lights. The source is at SW1 and 2-wire cable runs from there to the fixtures. The hot and neutral terminals on each fixture are spliced with a pigtail to the circuit wires which then continue on to the next light.

Current Limiters Wiring Diagram

Current Limiters Wiring Diagram. SINGLE CIRCUIT CLM OR CLE STYLE. SINGLE OR TWO CIRCUIT CLI STYLE. TWO CIRCUIT CLE OR CLI STYLE. Note: when specifying dual breaker limiter please list the lowest wattage first. Contact. For questions or assistance,

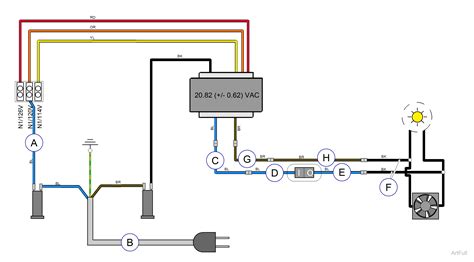
Installation Instructions – LD4B/LD6B Commercial Recessed ...

The Portfolio LD4*DL3/LD6*DL3 Series can be dimmed with Lutron 3-wire fluorescent and EcoSystem® digital controls. The Portfolio LD4*DLT/LD6*DLT Series can be dimmed with Lutron 2-wire forward phase controls. The Portfolio LD4*D5LT/ LD6*D5LT Series can be dimmed with Fifth Light and DALI compatible controls. The Portfolio LD4*DMX/LD6*DMX Series

Lamp Switch Wiring Diagrams

Wiring a 3 Way Lamp Socket Switch. This is a wiring diagram for a standard 3-way lamp switch. The socket is used with a three way bulb containing 2 separate elements that are energized separately and then together as the switch knob is turned for varying degrees of light.

Motion Sensor Light Wiring Diagram | Free Wiring Diagram

Variety of motion sensor light wiring diagram. A wiring diagram is a simplified conventional pictorial depiction of an electrical circuit. It reveals the elements of the circuit as streamlined shapes, and also the power and also signal connections between the tools.

How to Wire a Light Switch

Featuring Wiring Diagrams for Single Pole Wall Switches Commonly used in the Home. Explanation of Wiring Diagram #1. Switch wiring shows the Power Source (Power In) starts at the switch box. Circuit electrical wiring enters the switch box ; The Black Wire - Power In (source) attaches to one of the switch screw terminals

Electrical Wiring Diagrams

It has been necessary to draw certain wiring diagrams to support and permit the sharing of common electrical harnesses, as a result the in-line connectors linking the engine compartment harness and the engine harness appear on separate pages. In addition, it should be noted that the connector designations may not match; where this is the case ...

Free Wiring Diagrams

Premium Color Wiring Diagrams Get premium wiring diagrams that are available for your vehicle that are accessible Online right now, Purchase Full Set of complete wiring diagrams so you can have full Online access to everything you need including premium wiring diagrams, fuse and component locations, repair information, factory recall information and even TSB's (Technical Service Bulletins).

How to Install Low

The directions that came with the transformer explain that you want your first light to be at or further than 10′ from the transformer. You can cheat this by making your wire loop or arc to take up more length on the wire before your first light. But, make sure your light isn’t so close to the transformer that it would be read by the photo ...

Portfolio Outdoor Lighting

Portfolio outdoor lighting offers functionality as well as beauty. Their line of outdoor fixtures are affordable and easy to install. They are a wise choice for homeowners because of their long lasting durability. There is a wide range of products available in the Portfolio outdoo

Copyright 2020 - All Rights Reserved