Powerflex 753 Wiring Diagram


Powerflex 753 Wiring Diagram

Currently you are looking for an Powerflex 753 Wiring Diagram example of which we provide here within some type of document formats many of these as PDF, Doc, Power Point, and also images of which will make it simpler for you to create an Powerflex 753 Wiring Diagram yourself. For a better look, you can open some examples below. All the good examples about Powerflex 753 Wiring Diagram with this site, we get from many sources so you may create a better record of your own. If the search you get here does not complement what you are searching for, please use the search feature that we have provided here. You will be free to download something that we provide right here, investment decision you won't cost you the slightest.

Powerflex 753 Wiring Diagram

Powerflex 753 Wiring Diagram. 27.11.2018 27.11.2018 2 Comments on Powerflex 753 Wiring Diagram. Allen-Bradley PowerFlex Manual Online: Digital Output Wiring. Table 52 MicroLogix Wiring Diagrams, Discrete Input And Output Voltage Ranges. The examples and diagrams in this manual are included solely for illustrative purposes. Because of ..

Allen Bradley Vfd Powerflex 753 Wiring Diagram

Powerflex 753 control wiring diagram e27 lz 3074 525 simple diagrams drives configuration programming gg 1611 allen bradley also ac 755 ec 2269 get free image about variable frequency motor manualzz. Powerflex 753 Control Wiring Diagram E27. Powerflex 753 Control Wiring Diagram E27.

PowerFlex 753 AC Drives | Allen

PowerFlex® 753 AC Drives are cost-effective and easy to use in general purpose applications requiring safety features. They come standard with built-in I/O, which is ideal for machine builders and system integrators who want to reduce engineering costs, deliver machines to market faster, and meet end user demand for more productive machines.

Manual PowerFlex 753 | Electrical Wiring | Fuse (Electrical)

Specific drives within the PowerFlex 750-Series may be referred to as: PowerFlex 753, PowerFlex 753 drive or PowerFlex 753 AC drive PowerFlex 755, PowerFlex 755 drive or PowerFlex 755 AC drive To help differentiate parameter names and LCD display text from other text, the following conventions will be used: Parameter Names will appear in ...

Literature Library | Rockwell Automation

Literature Library | Rockwell Automation

Electrical Solutions Corp

Electrical Solutions Corp - Home Page

Allen

PowerFlex 753; Allen-Bradley PowerFlex 753 Manuals Manuals and User Guides for Allen-Bradley PowerFlex 753. We have 1 Allen-Bradley PowerFlex 753 manual available for free PDF download: Quick Start Manual

ALLEN

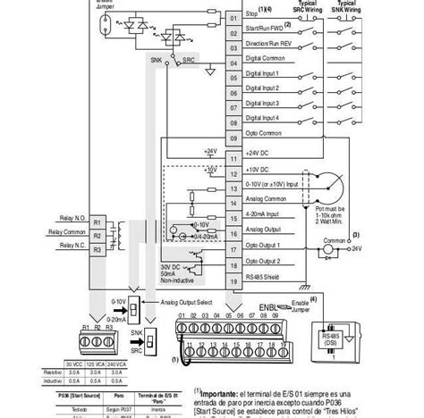
20F = PowerFlex 753 20G = PowerFlex 755 3. Look at the main control board that is installed in the drive. PowerFlex 753 has a 14-point I/O terminal block. PowerFlex 755 has three EtherNet/IP address selectors. Rockwell Automation Publication 750-QS001A-EN-P - March 2015... Page 23: Power Wiring

PowerFlex 750

PowerFlex 750-Series I/O, Feedback, and Power Option Modules Wiring Important points to remember about I/O wiring:. e r i w r e ppo c e s u s y aw•Al • Use wire with an insulation rating of 600V or greater. • Separate control and signal wires from power wires by at least 0.3 meters (1.0 ft).

Drives & Motors | Allen

PowerFlex 7000 AC drive products are designed to meet a broad variety of heavy industry needs and configurations 2.4...6.6 kV. These drives offer a motor current up to 720 A, for synchronous or induction motors. Our PowerFlex 6000 drives meet applications that require variable speed motor control from 2.2…11 kV, with motor current up to 680 A.

Copyright 2020 - All Rights Reserved