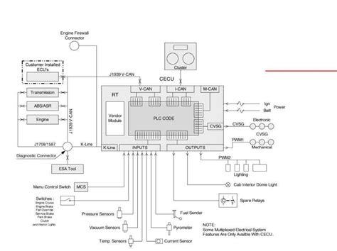
Pyrometer Sender Wiring Diagram


Pyrometer Sender Wiring Diagram

Currently you are looking with regard to an Pyrometer Sender Wiring Diagram example that will we provide here inside some kind of document formats many of these as PDF, Doc, Strength Point, and also images that will will make it simpler for you to create an Pyrometer Sender Wiring Diagram yourself. For a more clear look, you can open several examples below. All the good examples about Pyrometer Sender Wiring Diagram about this website, we get from several sources so you may create a better file of your own. When the search you obtain here does not match up what you are searching for, please use the lookup feature that we have got provided here. You are usually free to download anything at all that we provide in this article, investment decision you won't cost you the particular slightest.

Copyright 2020 - All Rights Reserved