Remote Start Vehicle Wiring Diagram


Remote Start Vehicle Wiring Diagram

Presently you are looking regarding an Remote Start Vehicle Wiring Diagram example that will we provide here within some kind of document formats such as PDF, Doc, Power Point, and also images that will will make it simpler for you to create an Remote Start Vehicle Wiring Diagram yourself. For a better look, you may open several examples below. Each of the examples about Remote Start Vehicle Wiring Diagram about this web site, we get from many sources so you could create a better document of your own. If the search you obtain here does not match up what you are searching for, please make use of the research feature that we have provided here. You are usually free to download anything that we provide here, investment decision you won't cost you the particular slightest.

Remote Start Wiring Diagrams

Having a remote start wiring diagram makes installing a remote starter easy. Find the remote starter wiring diagram you need to install your car starter and save time. Scroll down and find the car start wire guide you need. It’s that easy! The best part? Every remote start wiring diagram contains information from other people … Remote Start Wiring Diagrams Read More »

Bulldog security

All information published in the vehicle diagram pages is gathered from sources which are thought to be reliable and accurate but we advise everyone check and verify our information by testing with a computer friendly test light to ensure proper connections are made.

Free Car Alarm, Remote Start, and Car Stereo Wiring

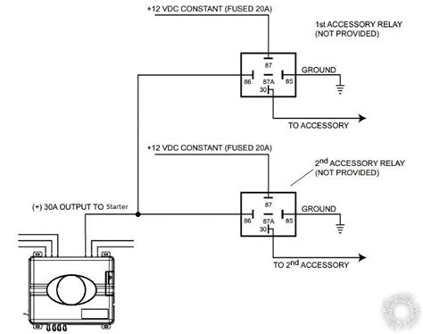
• Alarm and Remote Start Manuals • Alarm and Remote Start Pictorials • Car Audio Forum • Car Security & Convenience Forum • Car Security & Convenience Hot Topics • How to Determine Door Lock Types • Relay Wiring Diagrams • Vehicle Wiring Information & File Requests

Remote Start Wiring Diagrams | autocardesign

Remote Start Wiring Diagrams– wiring diagram is a simplified conventional pictorial representation of an electrical circuit.It shows the components of the circuit as simplified shapes, and the skill and signal friends amid the devices. A wiring diagram usually gives guidance about the relative slant and covenant of devices and terminals on the devices, to support in building or servicing the ...

Jeep Remote Start Wiring Diagrams

Our remote start wiring schematics allow you to enjoy remote vehicle starting for a warm interior in the winter and remote car starting for an air conditioned cabin in the summer. Stop spending countless hours trying to figure out which remote start wires go to which Jeep electrical module or automotive harness.

Free Car Alarm Wiring and Install Tips

Free Vehicle Wiring Search. Commando Car Alarms offers free wiring diagrams for installing your alarm, remote car starter, keyless entry or power door locks in your car or truck. View our complete listing of wiring diagrams by vehicle manufacture.

Copyright 2020 - All Rights Reserved