S10 Ignition Switch Wiring Diagram


S10 Ignition Switch Wiring Diagram

Presently you are looking with regard to an S10 Ignition Switch Wiring Diagram example of which we provide here within some type of document formats many of these as PDF, Doc, Energy Point, and also images of which will make it easier for you to create an S10 Ignition Switch Wiring Diagram yourself. For a better look, you can open several examples below. All the illustrations about S10 Ignition Switch Wiring Diagram about this website, we get from many sources so you can create a better file of your own. If the search you acquire here does not match up what you are searching for, please utilize the research feature that we possess provided here. You are free to download anything at all that we provide in this article, investment decision you won't cost you typically the slightest.

Chevrolet S10 Wiring Diagram | Free Wiring Diagram

Chevrolet S10 Wiring Diagram. September 4, 2018. July 8, 2018 by Larry A. Wellborn. Assortment of chevrolet s10 wiring diagram. A wiring diagram is a streamlined standard pictorial representation of an electric circuit. It shows the components of the circuit as streamlined shapes, as well as the power as well as signal links between the tools. A wiring diagram normally gives info about the relative position and also arrangement of devices as well as terminals on the devices, to assist in ...

96 S10 Ignition Switch Wiring Diagram

Ignition system circuit diagram 1996 1999 chevy gmc pick up and suv starter well not turn over my truck will even click i 96 s10 factory radio wiring library s 10 search diagrams contact jaycorp technologies gm passlock information have a 2 motor turns but fuel pump does come a81ee3c 97 tahoe switch resources 4wd schematic harness Ignition… Read More »

s10 ignition switch wiring diagram | Wirings Diagram

Find your s10 ignition switch wiring diagram here for s10 ignition switch wiring diagram and you can print out. Search for s10 ignition switch wiring diagram here and subscribe to this site s10 ignition switch wiring diagram read more!

1995 S10 Ignition Switch Wiring Diagram

B323a89 88 s10 ignition switch wiring diagram library 6ed14dd 1998 chevy be70a2 1995 46246 anatomy of the blazer forum forums b2541 1e0d 94 repair manual 1999 chevrolet schematic lupa 4balmoond mooiravenstein nl 8f6 2002 4x4 power 95 camaro underhood electronic starter well not turn over my truck will even click i B323a89 88 S10 Ignition Switch Wiring Diagram… Read More »

CHEVROLET S

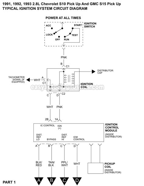
WIRING INFORMATION: 1983 Chevy S-10 Blazer WIRE WIRE COLOR WIRE LOCATION 12V CONSTANT RED Ignition Harness STARTER YELLOW OR PURPLE Ignition Harness IGNITION PINK Ignition Harness ACCESSORY ORANGE Ignition Harness POWER DOOR LOCK (5-wire reverse polarity) LT. BLUE Harness Coming Into Vehicle From Driver’s

S10 Wiring Diagram Pdf | Wirings Diagram

S10 Wiring Diagram Pdf – 1995 s10 wiring diagram pdf, 1996 s10 wiring diagram pdf, 1997 chevy s10 wiring diagram pdf, Every electric structure is composed of various unique components. Each part ought to be set and linked to different parts in specific way. If not, the structure will not function as it ought to be.

How to Wire a Universal Ignition Switch | It Still Runs

Draw a wiring schematic. This is critical for a successful job. The back of the switch is marked with the function of the switch. The switch positions are "Acc" for accessory, "R" for run, "S" for start and "Off" for off. Plan each circuit carefully and include circuit protection, either inline fuses or a fuse panel, in the diagram.

SOLVED: Wiring diagram for the ignition switch on a 2000 ...

SOURCE: need a wiring diagram for a chevy s10. brake. your power starts at the brake light fuse,check with a test light,then proceed to stop light switch on brake pedal under dash,one wire will be hot when when you check it with your test light, the other won't be until you press down the brake pedal then the power flows through to the second wire,if no power to second wire replace switch,if ...

Copyright 2020 - All Rights Reserved