Vanagon Wiring Diagram Ingition Control Module


Vanagon Wiring Diagram Ingition Control Module

Presently you are looking with regard to an Vanagon Wiring Diagram Ingition Control Module example of which we provide here in some kind of document formats such as PDF, Doc, Energy Point, as well as images of which will make it easier for you to create an Vanagon Wiring Diagram Ingition Control Module yourself. For a clearer look, you can open a few examples below. All of the good examples about Vanagon Wiring Diagram Ingition Control Module with this web site, we get from several sources so you may create a better record of your own. If the search you acquire here does not match up what you are searching for, please make use of the research feature that we have got provided here. You will be free to download anything at all that we provide here, it will not cost you typically the slightest.

Vanagon Wiring Diagram Ingition Control Module PDF File ...

File Name: Vanagon Wiring Diagram Ingition Control Module.pdf Size: 6819 KB Type: PDF, ePub, eBook Category: Book Uploaded: 2020 Aug 16, 02:10 Rating: 4.6/5 from 809 ...

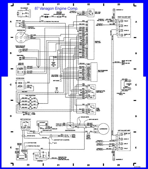
TheSamba.com :: 1985

The 1986 Vanagon is an odd year with many documented and undocumented wiring variations. There is an early and a late diagram - This diagram is the later version. 1985-86 VW Vanagon Wiring Diagrams - PDF (16 MB) Please right-click on the link above and do "Save As..." to save it to your computer.

Volkswagen Vanagon Ignition Control Module

Order Volkswagen Vanagon Ignition Control Module online today. Free Same Day Store Pickup. Check out free battery charging and engine diagnostic testing while you are in store.

Vanagon Wiring Diagram Pdf

87 vanagon schematics thesamba com type 2 wiring diagrams t3 t25 manuals upgrades syncrosport ad254c8 78 volkswagen diagram library vw bus pdf coach fault codes 837e321 ingition control module f0e457e subaru conversion 87 Vanagon Schematics Thesamba Com Type 2 Wiring Diagrams Thesamba Com Type 2 Wiring Diagrams 87 Vanagon Schematics Wiring Diagrams T3 T25 Vanagon Manuals Upgrades Syncrosport ...

Wiring Diagrams | T3 T25 Vanagon manuals & upgrades ...

Manuals & Info > Wiring Diagrams. Volkswagen Transporter 1980-1992 (aka T3, T25, Type 25, Vanagon) Factory Wiring Diagrams (PDF) Second Battery, cut-out relay. Water Heater BBW46/DBW46. 1.6l CS, KY and JX diesel engines. 1.9l SP and DG petrol engines. 2.1l SR,SS and MV petrol engines. Turbodiesel coolant pump. Turbodiesel, turbocharger cooling fan

Wiring 1986 vanagon. Just bought new ignition plug module ...

VW Vanagon 1990 2,1 wbx radiator fan wiring diagram 1 Answer. I am replacing a defect ballast resistor for fan low speed and search for a wiring diagram for the ballast resistor with 3 connection points.

Vanagon Protraining Digifant 86

The 2.1 liter Vanagon engine is equipped with Digifantfuel and ignition control system. Digifant is a development of the Digi-Jet fuel injection system combined with the map controlled digital ignition system. Through the.use of a single control unit, all of the functions of the fuel system, ignition system and

Copyright 2020 - All Rights Reserved