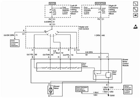
Wiring Diagram For 04 Chevy Impala


Wiring Diagram For 04 Chevy Impala

At present you are looking for an Wiring Diagram For 04 Chevy Impala example that will we provide here within some type of document formats many of these as PDF, Doc, Power Point, as well as images that will will make it easier for you to create an Wiring Diagram For 04 Chevy Impala yourself. For a clearer look, you can open a few examples below. All the illustrations about Wiring Diagram For 04 Chevy Impala with this web site, we get from several sources so you can create a better document of your own. When the search you acquire here does not complement what you are searching for, please make use of the search feature that we have provided here. You are usually free to download anything at all that we provide right here, investment decision you won't cost you typically the slightest.

Copyright 2020 - All Rights Reserved