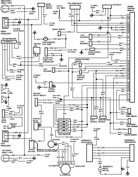
Wiring Diagram For Engine Control Module


Wiring Diagram For Engine Control Module

Currently you are looking for an Wiring Diagram For Engine Control Module example that will we provide here inside some kind of document formats such as PDF, Doc, Power Point, as well as images that will will make it easier for you to create an Wiring Diagram For Engine Control Module yourself. For a more clear look, you are able to open some examples below. All of the illustrations about Wiring Diagram For Engine Control Module on this web site, we get from several sources so you could create a better file of your own. If the search you get here does not match up what you are looking for, please use the search feature that we have provided here. You will be free to download something that we provide here, expense cost you the particular slightest.

Copyright 2020 - All Rights Reserved