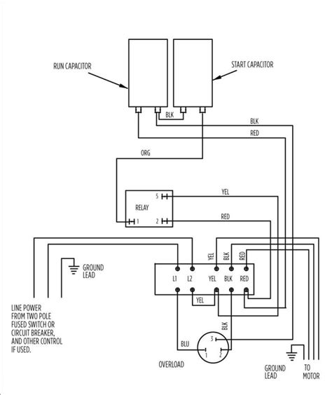
Wiring Diagram Septic Control Relay


Wiring Diagram Septic Control Relay

At present you are looking with regard to an Wiring Diagram Septic Control Relay example of which we provide here within some form of document formats like as PDF, Doc, Power Point, as well as images of which will make it simpler for you to create an Wiring Diagram Septic Control Relay yourself. For a more clear look, you are able to open some examples below. Each of the illustrations about Wiring Diagram Septic Control Relay on this site, we get from several sources so you could create a better record of your own. When the search you get here does not match what you are looking for, please utilize the lookup feature that we have provided here. You are free to download anything at all that we provide in this article, it will not cost you the particular slightest.

Copyright 2020 - All Rights Reserved