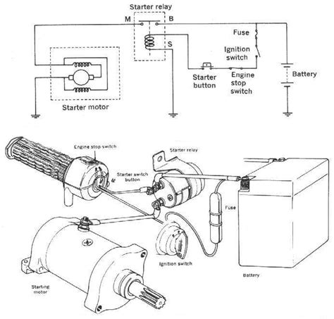
Starting Motor Wiring Diagram


Starting Motor Wiring Diagram

Presently you are looking for an Starting Motor Wiring Diagram example of which we provide here in some form of document formats like as PDF, Doc, Strength Point, as well as images of which will make it simpler for you to create an Starting Motor Wiring Diagram yourself. For a better look, you can open a few examples below. Each of the good examples about Starting Motor Wiring Diagram on this site, we get from several sources so you may create a better document of your own. In case the search you acquire here does not complement what you are looking for, please make use of the search feature that we have provided here. You are usually free to download anything that we provide in this article, it will not cost you the slightest.

Copyright 2020 - All Rights Reserved